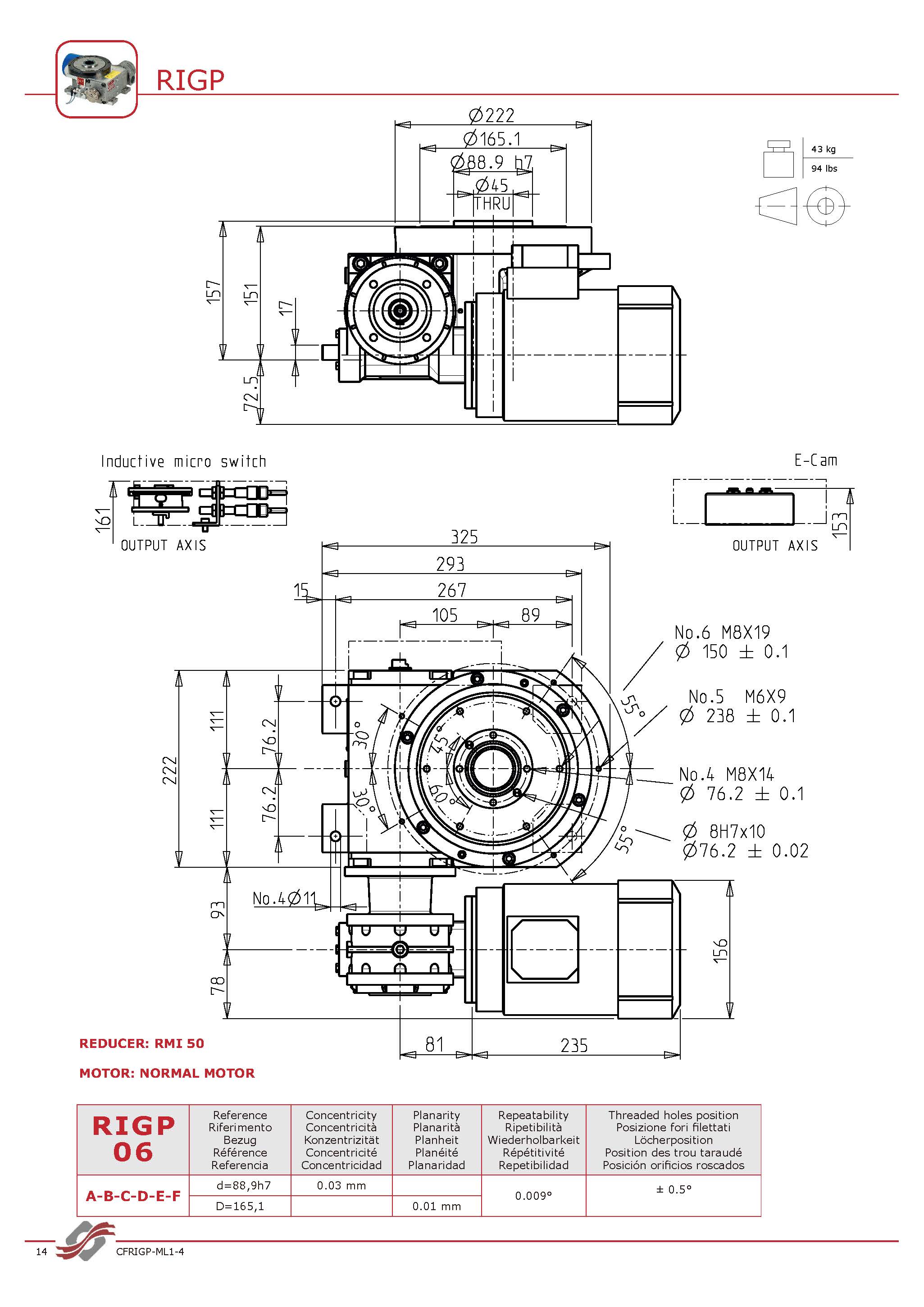
描述
COLOMBO FILIPPETTI spa 的直角轴“RIGIDIAL”转台具有球形凸轮,可将均匀的旋转输入运动转换为间歇性的旋转输出运动。
这些工作台旨在以低成本实现高性能。
转盘采用大直径交叉滚子轴承支撑,可承受高轴向和倾覆载荷,同时确保高精度和刚度。球面凸轮,氮化或研磨和回火,确保无振动运动和高精度定位。

























传真:0510-86199978
邮箱:info@andrewen.com
手机号:18961619099
地址:江苏省江阴市澄江东路3号
描述
COLOMBO FILIPPETTI spa 的直角轴“RIGIDIAL”转台具有球形凸轮,可将均匀的旋转输入运动转换为间歇性的旋转输出运动。
这些工作台旨在以低成本实现高性能。
转盘采用大直径交叉滚子轴承支撑,可承受高轴向和倾覆载荷,同时确保高精度和刚度。球面凸轮,氮化或研磨和回火,确保无振动运动和高精度定位。























