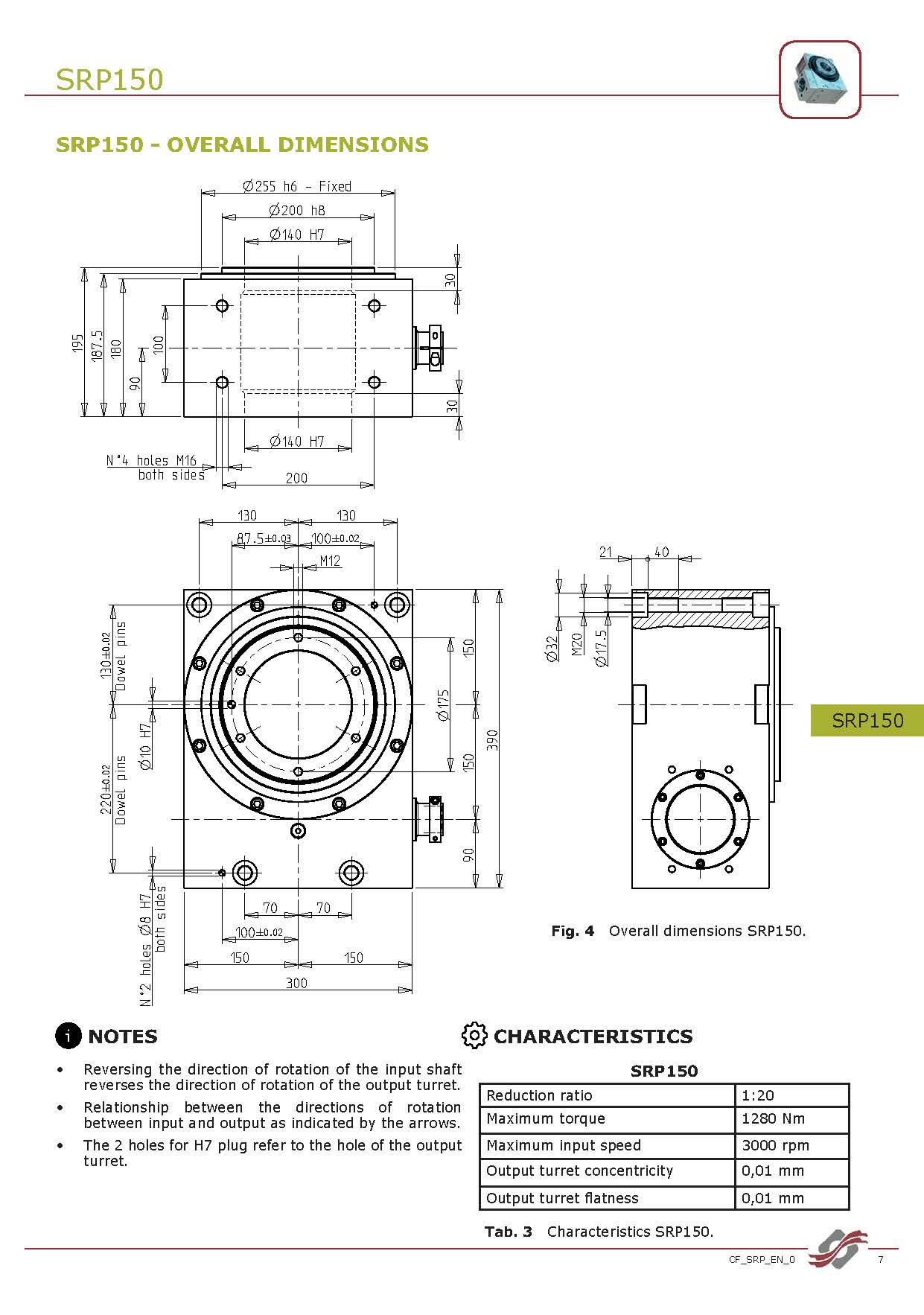
技术规格
| 球面凸轮标准型号: | SRP63 - SRP100 - SRP150 |
| 凸轮类型: | 由伺服电机驱动的球形凸轮 |
描述
伺服滚子定位器 SRP 基于简单而有效的设计,其特点是紧凑的铝制外壳具有易于组装的平坦表面,输出刚性转动转塔,带有由一对超大径向滚子轴承支撑的宽中心通孔和精确的, 预加载等速球面凸轮。
凸轮设计和凸轮与输出转塔之间的预载允许在任何位置进行高刚性、精确和无间隙运动。
伺服滚子定位器具有可靠性、高动态性能、灵活性、运动平稳性和效率。
该装置是为标准特定和用户可编程伺服电机预先安排的。

















2384326522